industrial Pulse jet bag filter/Baghouse Factory, Factories

The XJY's pulse jet bag filter is a highly efficient dry filtering dust removal equipment. It adopts chamber-by-chamber air-stop pulse jet cleaning technology, which overcomes the shortcomings of conventional pulse dust collectors and chamber-by-chamber back-blow dust collectors. It has strong cleaning ability, high dust removal efficiency, low emission concentration, low air leakage rate, low energy consumption, low steel consumption, small footprint, stable and reliable operation, and good economic benefits.

Product Description

💻 Functional Description of Baghouse Filter
The professional bag filters offer essential functions including dust filtration, gas purification, and efficient dust collection. When dust-laden gas enters the system, the fiber filter bag utilizes physical effects such as inertial collision to separate particles. This process significantly reduces dust content in the filtered gas, ensuring emissions meet environmental standards and improving overall air quality. The integrated cleaning system periodically transfers dust from the filter bags to the ash hopper for convenient recycling or disposal.
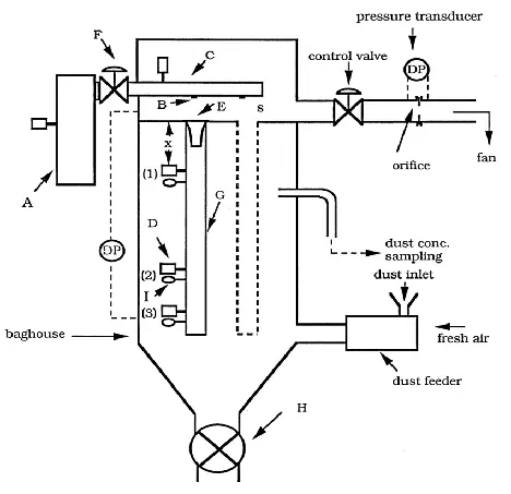
🔄 Workflow of Pulse Jet Baghouse
1. Intake Filtration: Dust-laden gas enters through the air inlet. Under fan action, it is directed to the filter bags where dust is physically adsorbed, allowing purified gas to pass through.
2. Resistance Monitoring: Continuous filtration leads to dust accumulation, increasing resistance. A pressure sensor monitors the system, triggering the cleaning cycle when standards are reached.
3. Dust Cleaning Process: Compressed air is pulsed into the filter bags through nozzles. The rapid expansion and contraction vibrate the bags, causing the dust layer to fall off into the hopper.
4. Collection & Circulation: Dust is collected in the hopper and discharged regularly. After cleaning, bag resistance is restored, and the collector continues its purification cycle.
Pulse Jet System Component
Workflow Diagram
🔍 Product Details & Internal Structure
Dust Collector Product Details
🏭 Display of Product Usage Scenarios
Metallurgical Industry

Metallurgical Industry

Mining Industry

Mining Industry

Building Materials

Building Materials

 Comprehensive Features and Advantages
High Efficiency: Removal efficiency typically reaches over 98%, and can exceed 99.99%. Outlet dust concentration is minimal, effectively reducing atmospheric pollution.
Strong Adaptability: Capable of capturing dust with various properties regardless of specific resistance. It maintains performance despite changes in smoke concentration or gas volume.
Diverse Specifications: Available in various sizes with air volumes ranging from hundreds to millions of cubic meters per hour. Options include stationary and mobile units.
Simple Maintenance: Features a robust box sealing design with low air leakage. The compact layout ensures low airflow resistance and easy recycling of dry materials.
Eco-Friendly: Prevents secondary pollution and enables resource reuse. It helps industries save energy and reduce emissions under various working conditions.
📦 Delivery and Installation
Delivery Range

Global Delivery Range

We provide global delivery services. Our integrated products are designed for independent installation, making the setup process convenient, simple, and easy to operate for all users.

📊 Technical Specifications
Model Air Volume (m³/h) Equipment Specs (mm) Inlet/Outlet (mm) Bag Specs (mm) Bag Count (pcs) Pulse Groups Pressure (MPa) Resistance (Pa) Thickness (mm)
MC-5K50001950*2570*5500400*350Φ133*2000120100.4-0.61000-15003
MC-10K100003800*2600*5500500*400Φ133*2000240200.4-0.61000-15003
MC-15K150005600*2600*5500700*400Φ133*2000360300.4-0.61000-15003
MC-20K200007500*2600*5500850*450Φ133*2000480400.4-0.61000-15003
MC-30K3000011100*2600*55001400*450Φ133*2000720600.4-0.61000-15003
MC-50K500009300*4050*60002100*450Φ133*250010001000.4-0.61000-15003
MC-100K10000012750*5000*65003000*450Φ160*300013201200.4-0.61000-15005
 Frequently Asked Questions
Q: What is the average dust removal efficiency of these baghouse filters?
A: Our baghouse filters typically achieve a dust removal efficiency of over 98%, with high-performance models reaching up to 99.99%.
Q: How does the pulse jet cleaning system work?
A: It uses high-speed compressed air pulses to vibrate the filter bags, causing accumulated dust to fall into the hopper without stopping the filtration process.
Q: Are these units suitable for small-scale applications?
A: Yes, we offer a wide range of specifications, from small mobile units to large-scale industrial systems handling millions of cubic meters per hour.
Q: Can the collected dust be recycled?
A: Absolutely. The dust is collected in a dry state in the ash hopper, making it easy to recover and reuse based on its material properties.
Q: Do you offer worldwide shipping?
A: Yes, global delivery is available for all our products, and the integrated design ensures they are easy to install upon arrival.
Q: What industries can benefit from these filters?
A: They are widely used in metallurgy, mining, chemical production, and the building materials industry for air purification.

Related Products